產品目錄
蒸汽流量計
渦街流量計
孔板流量計
壓縮空氣流量計
氣體流量計
熱式氣體質量流量計
旋進旋渦流量計
金屬管浮子流量計
氣體羅茨流量計
電磁流量計
渦輪流量計
橢圓齒輪流量計
水流量計
液體流量計
超聲波流量計
磁翻板液位計
浮子液位計
浮球液位計
玻璃管液位計
雷達液位計
超聲波液位計
投入式液位計
壓力變送器
差壓變送器
液位變送器
溫度變送器
熱電偶
熱電阻
雙金屬溫度計
相關產品
聯系我們
聯系電話:13655235852
服務熱線:0517-86801009
公司傳真:0517-86801007
公司郵箱:1464856260@qq.com
公司地址:江蘇省金湖縣理士大道61號
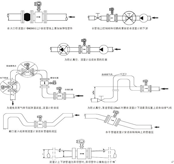
氨氣流量計安裝方法
氨氣流量計是一種新型流量計 , 由于精度高、適應性強、應用范圍廣、安裝簡單等特點 , 在化工行業的應用日益廣泛 , **凱銘儀表有限公司推出氨氣流量計的安裝要點共大家分享。
氨氣流量計的安裝方向不能裝反
氨氣流量計上標注“→”與工藝介質流向應一致 , 大管徑插入式渦流街流量計的傳感器要與管道軸線垂直 , 法蘭連接型則應與工藝管道同軸。
氨氣流量計安裝時應保證上、下游直管段的長度
(1)氨氣流量計對前后直管段的一般要求是 : 前 20 D , 后 5 D( D 為相連工藝管道內徑) ,閥門一般設計在流量計的下游側。
(2) 當流量計安裝在壓縮機、鼓風機、柱塞泵的出口時 , 流量計的上游側需加裝閥門 , 這種情況 , 為保證流量計的測量準確度 , 除上游直管段長度不小于 20 D 外 , *好能在上游側加裝限流或緩沖裝置
(3) 對于有變徑要求的工藝管線 , 前后直管段的長度分別保證不小于 10 D 和 5 D 就可以了 ; 如果必須在流量計的上游側選用閘閥 , 那么前直管段的長度不應小于 40 D。
(4) 溫度、壓力等取源部件應安裝于氨氣流量計的下游側

安裝氨氣流量計應保證工作狀態時渦街發生器內部充滿介質
氨氣流量計可以測量液相、氣相和蒸汽三種介質的流量 , 同時可在水平、豎直甚至任何角度位置的管道上安裝 , 但是 , 不論哪一種情況 , 都必須保證工作狀態時流量計內部能夠完全充滿同一種介質。
(1) 對于相連接的工藝管道 , 其內徑不應小于流量計內徑 , 法蘭連接時所用墊片內徑應大于流量計本身內徑 , 否則會產生氣泡或負壓真空 , 影響測量準確性。
(2) 測量液體介質水平管道安裝時 , 應避免由于管道布置不當而使流量計內部滯留氣泡, 在豎直管道安裝時 , 要求介質的流向朝上 ,當流向朝下不可避免時 , 應考慮戒除因重力作用形成的負壓 , 避免造成流量計內部不能完全充滿被測介質。

管道清洗與吹掃時的注意事項
管道清洗與吹掃不能連同流量計一起進行 , 法蘭型渦街流量計應使用替代短節臨時把流量計換下 , 插入式流量計先將流量計拆下來 , 然后進行清洗或吹掃 , 以免流量計損壞。
氨氣流量計的使用環境
(1) 氨氣流量計的類型很多 , 不同類型、不同型號的流量計的使用范圍是不同的 , 如環境溫度、介質溫度、測量精度和管徑大小等 , 安裝時應注意其型號及其它技術參數 , 并根據其技術要求采取相應的措施。
(2) 氨氣流量計安裝應遠離動力線路、大功率電氣設備以及其它強電磁干擾場所。
(3) 旋渦型流量計對振動的影響較為敏感 , 所以選擇安裝位置時應遠離振動區域 , 如必須安裝在振動區域 , 則應在相連接的管道上加裝管道支架以固定。
氨氣流量計的接地要求
(1) 除按規范要求的信號接地和電纜屏蔽接地外 , 流量計本體也應接地 , 接地阻值符合設計要求。如設計無要求一般應小于10Ω。
(2) 當傳感器與變送器分體安裝時 , 應保證連接電纜的電氣連通性 , 一般都配有專用連接電纜 , 接線時應保證屏蔽層的跨接良好。
相關資訊
- 脫硝氨氣流量計安裝位置圖
- 氨氣流量計的選擇
- 氨氣流量計調節方法
- 氨氣流量計接線說明
- 氨氣流量計怎么看流量
- 氨氣流量計顯示數據偏差的因素分析
- 氨氣流量計工作原理圖
- 氨氣流量計的作用及應用
- 氨氣流量計常見故障處理
- 氨氣流量計安裝方法
- 氨氣流量計校準方法
- 氨氣流量計的量程怎么選
- 電廠用氨氣流量計不準什么原因
- 氨氣流量計零位調整
- 氨氣流量計校準目的與檢定方式分析
- 氨氣流量計波動大原因分析
- 氨氣流量計如何正確選型
- 氨氣流量計怎么清洗
- 氨氣流量計在測量飽和蒸汽中對于生產效率的提升
- 正確理解氨氣計量表安裝要求及需要了解的相關注意事項
- 氨氣流量測量儀表
- 分析氨氣流量計自動化儀表控制系統的應用
- 氨氣流量測量儀表,氨氣流量計價格
- 氨氣流量計廠家
- 測量液氨的流量計,氨氣流量計量表
- 氨氣流量計量表,鍋爐脫硝氨氣流量計
- 測氨氣流量用什么流量計
- 測氨氣流量計,氨氣流量計選型
- 氨氣流量表價格
- 測氨氣流量計

